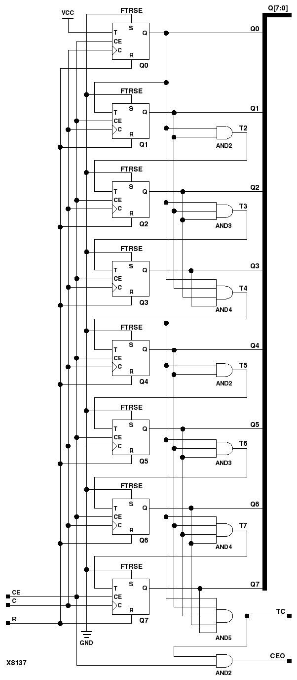
Figure 4.11 CB8RE Implementation XC3000, XC4000, XC5200, Spartans, Virtex

CB8RE Implementation XC3000, XC4000, XC5200, Spartans, Virtex figures/x8137.gif