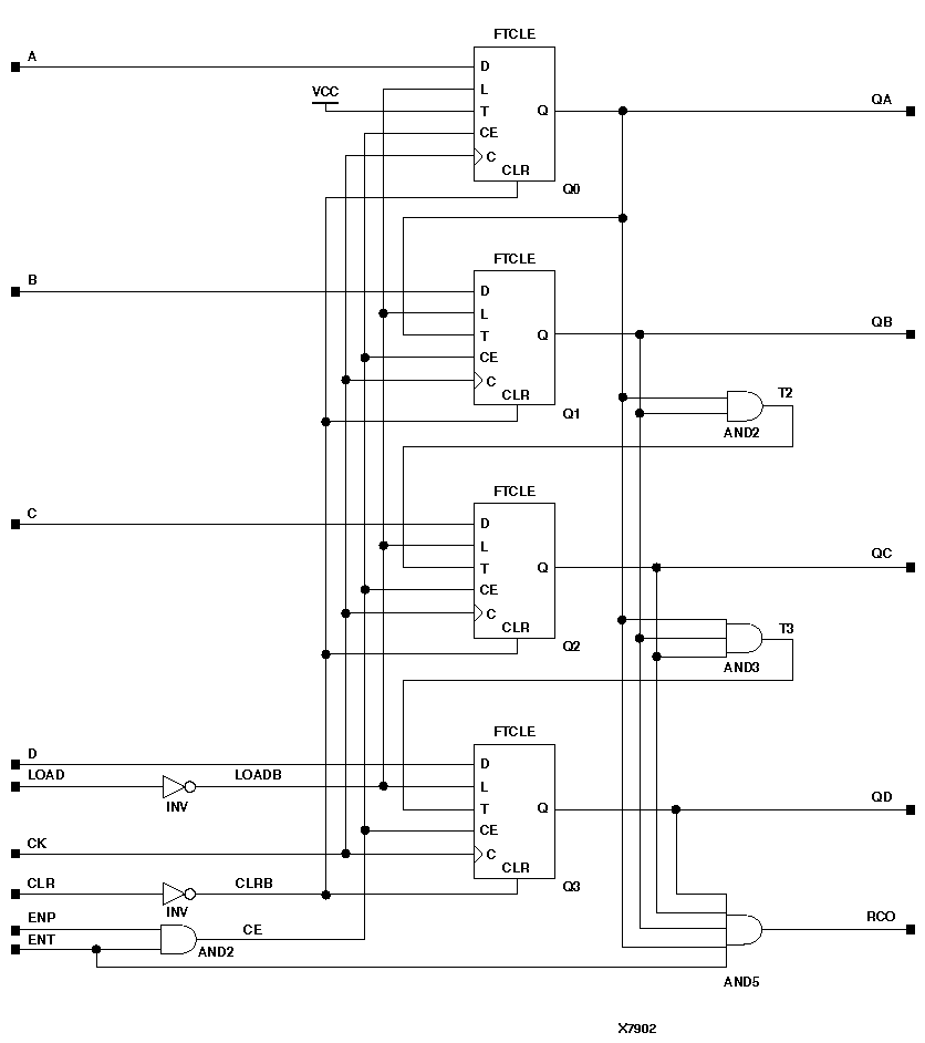
Figure 11.19 X74_161 Implementation XC3000, XC4000, XC5200, Spartans

X74_161 Implementation XC3000, XC4000, XC5200, Spartans figures/x7902.gif